芯城品牌采购网 > 品牌资讯 > 全部资讯

天气恶劣致美光DRAM工厂停电、瑞萨MCU厂停工-芯城品牌采购网

近日,日本今年第4号台风“艾利”在日本长崎县佐世保市附近登陆,影响了多家日本半导体工厂的生产和运营。美光日本厂停电,预估受影响产能规模有限昨天,美光披露,其位于日本广岛的DRAM制造厂于2022年7月8日突发停电,目前正在评估对近期供应的影响。据TrendForce集邦咨询的最新研报,美光此次突发停电预估受影响产能规模有限。TrendForce指出,以全球产能来看,该厂投片占比则约7%。主要投产制

芯城品牌采购网

10969

近日,据DigiTimes的消息称,台积电将生产M2Pro和M3芯片,这两款芯片将采用台积电最新3nm工艺技术。不久前发布的M2芯片,依旧使用的是第二代5nm工艺,官方数据显示,其CPU处理速度相比上代提高了18%,GPU则提升了35%。虽然M2的性能提升依旧谨小慎微,不能与M1Pro/Max/Ultra比肩,但相比M1来说,在性能上确实是有两位数的提升。但库克的刀法依旧精准,近日,MaxTech

芯城品牌采购网

9238

联电宣布将于新加坡建厂预计2024年底量产-芯城品牌采购网

联电7月6日在宣布启动新加坡工厂扩建计划,将在Fab12i厂区扩建Fab12iP3厂房,合约总金额88.13亿元新台币。根据联电作出的规划,新厂第一期月产能为3万片,预计将在2024年底量产,以22nm及28nm制程为主力,主要针对5G、物联网和车用电子的需求,新厂总投资金额为50亿美元。此外,联电不久前还对外宣布,除在新加坡Fab12i扩建的新厂计划外,还将与车用电子大厂日本电装公司策略合作,在

芯城品牌采购网

7876

近日紫光集团重组案步入股权转让实质阶段,在接手100%股权的智广芯控股投资机构当中,出现工业富联(富士康)投资的兴微基金。北京智广芯控股据台媒报道,工业富联(富士康)出资98亿人民币参与紫光重组案,主要是投资兴微基金,再由基金经理人决定参与,智广芯控股十大投资人当中,除了广东国资、湖北国资等国有资金之外,第二大股东东晟粤(广州)其中一家合伙企业就是兴微基金。中国大陆独立上市公司长江存储芯片大师曾报

芯城品牌采购网

7482

据“i金山”消息,未来岛(金山)半导体产业园项目正有序推进中,预计明年年底全部竣工完成。据现场负责人介绍称,该项目分为两期,目前一期项目主体结构已经完成,现正进行外墙板装饰板施工,预计明年6月完成。二期项目已进入准备建设阶段,预计明年年底完成。消息显示,未来岛(金山)半导体产业园作为金山区第一个芯片产业园区项目,总建筑面积11万平方米,主要建设内容包括4个生产厂房以及附属配套等。项目建成后,将作为

芯城品牌采购网

8393

据蚌埠经开区管委会消息,12月1日上午,兆科(蚌埠)电子科技车用MEMS传感器芯片项目举行开工仪式,并同步进场施工,该项目签约到开工仅用时1个月。消息称,该项目由浙江晶光科技股份有限公司(以下简称“晶光科技”)投资建设,总投资1亿元,位于传感谷C区,一期建设3条先进车用MEMS传感器芯片封装测试生产线,建成全面达产后年产7.2亿颗车用磁感、气体、压力MEMS传感器芯片,二期布设1条科研用中试线设备

芯城品牌采购网

9283

朗科科技:拟2750万元与正源芯合作建设存储芯片封装测试工厂-芯城品牌采购网

12月2日,深圳市朗科科技股份有限公司(以下简称“朗科科技”)发布公告称,公司拟与正源芯半导体(深圳)有限公司(以下简称“正源芯”)设立合资公司,合作建设存储芯片封装测试工厂,有利于公司加深产业链上游扩张与合作,符合公司目前的战略规划和经营发展的需要。公告显示,合资公司注册资本拟定为人民币5000万元,其中朗科科技认缴出资2750万元,认缴出资比例为55%;正源芯认缴出资2250万元,认缴出资比例

芯城品牌采购网

9840

11月30日,工信部发布2022年1-10月份电子信息制造业运行情况。1-10月份,我国电子信息制造业生产稳定增长,出口规模增速呈下降趋势,企业效益逐步恢复,投资增速保持高位。具体来看,1-10月份,规模以上电子信息制造业增加值同比增长9.5%,增速分别超出工业、高技术制造业5.5和0.8个百分点。10月份,规模以上电子信息制造业增加值同比增长9.4%,较9月份下降1.2个百分点。1-10月份,主

芯城品牌采购网

10336

据通富微电官微消息,11月30日,南通通富微电子有限公司三期工程封顶仪式在苏锡通园区通富微电厂区举行。通富微电三期工程总投资9.64亿元,位于苏锡通园区,此次三期工程一次性开工建设10万多平方米。项目采用集成电路封装、测试等具有自主知识产权的新技术、新工艺,建成后将形成年封装测试5G等新一代通信用集成电路产品2.8亿块的生产能力。资料显示,南通通富是通富微电集团在苏锡通园区布局的高端先进封装测试基

芯城品牌采购网

8863

意法半导体与艾睿电子在亚太区开展工业应用创新研发合作-芯城品牌采购网

服务多重电子应用领域、全球排名前列的半导体公司意法半导体(STMicroelectronics)与全球技术解决方案供应商艾睿电子(ArrowElectronics)合作,在亚太区新设立的创新实验室共同开展技术研发活动,为下一代工业应用发展铺平道路。此次合作整合了意法半导体在电机控制、自动化、电源和能源应用领域多样化的创新产品组合,及艾睿深厚的市场经验和广泛的工程支持服务,以应对以碎片化和多样化为特

芯城品牌采购网

9314

华为激光雷达新专利:兼具近距和远距探测功能-芯城品牌采购网

7月12日,华为技术有限公司发布一项专利:“一种激光雷达及车辆”,该激光雷达在结构上进行了创新,能够融合两种雷达的特点,同时具有近距探测功能和远距探测功能,同时减小了激光雷达的体积。激光雷达包括:外壳、近距组件和远距组件。外壳包括透光板,透光板用于激光透过;近距组件安装于外壳,并包括近距发射模块、近距接收模块和近距反射模块;远距组件安装于外壳,并包括远距发射模块、远距接收模块和远距反射模块;近距组

芯城品牌采购网

8887

近日,中国科学技术大学郭光灿院士团队在固态量子存储领域取得重要进展。该团队李传锋、周宗权研究组基于掺铒波导实现了通讯波段光子的按需式量子存储,向构建大尺度光纤量子网络迈出重要一步。量子存储器是量子网络的核心器件,通过按需式读取纠缠光子,可以把远距离光纤传输中的指数级损耗下降为多项式级损耗。为利用现有的光纤网络构建量子网络,量子存储器应工作在通讯波段。稀土铒离子具有独特的通讯波段光跃迁,是实现通讯波

芯城品牌采购网

11798

据复睿微电子官方消息,11月21日,复睿微电子(上海)有限公司(以下简称“复睿微电子”)总部项目签约仪式在合肥高新区举行。据悉,复睿微电子总部项目计划总投资8亿元,在合肥建设上市总部,作为整体业务运营、主机厂客户拓展、战略规划、应用解决方案开发和全球服务的中心。主要从事汽车智能座舱、自动驾驶芯片研发,以领先的芯片设计能力和人工智能算法,为汽车电子、人工智能、通用计算等领域提供以高性能芯片为基础的解

芯城品牌采购网

8735

软银的ARM上市之旅可谓一波三折。据知情人士透露,由于英国近期政界动荡,软银集团暂停了旗下芯片部门ARM在伦敦上市的谈判。  不过,在叫停英国上市谈判的同时,软银仍在继续寻求在纽约进行IPO。软银创始人孙正义曾多次表示,他的首要目标是让ARM在美国上市,因为在美国市场可以获得更好的估值和更深的投资者现金池,美国一直是孙正义心中更理想的上市地点。  ARM上市谈判中关键官员离职  知情人士表示,由于

芯城品牌采购网

12466

北京时间7月20日早间消息,据报道,美国芯片生产商格芯(GlobalFoundries)首席执行官汤姆·考菲尔德(TomCaulfield)于当地时间周二表示,如果一项支持美国计算机芯片行业的法案在未来几周内无法顺利通过,那么该公司计划在纽约州北部建立的半导体工厂将可能被推迟。  美国参议院在通过了第一版法案一年多后,将于当地时间周二晚些时候对一个精简版的立法进行投票,从而为半导体行业提供520亿

芯城品牌采购网

10883

TI芯科技赋能中国新基建之可再生能源:新能源大变局的背后-芯城品牌采购网

2022年4月,彭博社一篇题为《“空气比北京还差”不再算是羞辱》的报导向西方展示了一个事实,北京的天空已不再常有雾霾相伴。此时回望2013年国务院“大气十条”提出要调整能源结构、增加清洁能源供应,之后中国与世界各国一起促成了《巴黎气候协定》,以及人人耳熟能详的“碳达峰”“碳中和”,再看看从西电东输再到东数西算,可以说中国新能源的势头正在持续增强。前所未有的转型让我们回顾一下能源技术的转型史。18世

芯城品牌采购网

11957

与科创板共同成长,中微公司迎来上市三周年-芯城品牌采购网

与科创板共同成长,中微公司迎来上市三周年——多元化产业布局,以“硬科技”推动硬实力持续跃升中国上海,2022年7月22日——科创板开市三周年之际,作为科创板首批上市的25家企业之一的中微半导体设备(上海)股份有限公司(以下简称“中微公司”,)也已迎来上市三周年。攀登勇者,志在巅峰。伴随科创板设立至今,依托强大的政策与资金支持,半导体设备龙头股中微公司坚持创新驱动发展,践行科学管理章法,实现了业绩连

芯城品牌采购网

9832

当地时间周三(11月23日),欧盟成员国同意投入超过430亿欧元(约合人民币3208.01亿元)用于发展芯片行业,旨在扶持本土芯片供应链,使欧盟的27个国家减少对美国和亚洲制造商的依赖。今年2月,欧盟委员会公布了备受关注的《芯片法案》,计划大幅提升欧盟在全球的芯片生产份额。欧洲在芯片生产中所占的份额从2000年的24%下降到了如今的8%,而《芯片法案》的目标是到2030年将这一数字提升到20%该法

芯城品牌采购网

12044

11月23日,晶圆代工厂格芯(GlobalFoundries)与普渡大学宣布建立新的战略伙伴关系,加强和扩大半导体研究和教育方面的合作。签署的协议概述了格芯和普渡大学之间在联合研究和开发项目以及教育机会方面的合作机会。格芯表示,与普渡大学的合作关系将由公司实验室监督,该实验室领导公司的研发工作,与领先的学术、政府和行业合作者合作,推进公司的差异化技术组合。据了解,在过去五年中,普渡大学每年都被《美

芯城品牌采购网

9911

美光LPDDR5内存获得ISO26262安全标准ASIL-D等级认证-芯城品牌采购网

随着自动驾驶汽车愈发迅猛的发展驱势,人们对汽车的功能安全也更加关注。由于许多新兴高级驾驶辅助系统(ADAS)平台的组件与系统非常复杂,与数据中心相比有过之而无不及,因此确保汽车的硬件系统符合各项安全风险防控标准至关重要。事实上,当前许多L2和L3级别的自动驾驶汽车都使用了数据中心组件与系统级芯片(SoC),如专用视觉处理器、GPU与高性能内存等。ISO26262标准半导体分类ISO26262标准旨

芯城品牌采购网

12741

据惠山高新区发布消息,11月21日,中科院长春光机所高性能光芯片项目签约仪式在惠山高新区(洛社镇)举行,院士团队“牵手”高新区(洛社镇),将针对量子精密测量对高性能激光芯片的重大应用需求,实现三种量子精密测量光芯片全自主研发和生产,支撑我国先进量子精密测量技术长足发展。消息称,此次签约的中科院长春光机所高性能光芯片项目,是惠山高新区与大院大所合作的“重头戏”。中科院长春光机所是新中国在光学领域建立

芯城品牌采购网

10274

11月22日,据外媒消息,英特尔合同芯片生产部门的负责人RandhirThakur已经辞职,该报道得到了英特尔的确认。据悉,Thakur将继续领导英特尔代工服务到2023年第一季度,以确保新领导人的顺利过渡。英特尔首席执行官PatGelsinger向公司员工发送了一封电子邮件,感谢RandhirThakur在建立英特尔芯片代工服务(IFS,IntelFoundryServices)方面的投入和对公

芯城品牌采购网

11116

11月15日,美光宣布LPDDR5X移动存储器已获得高通最新旗舰智能手机移动平台Snapdragon®8Gen2验证,并已集成到Snapdragon8Gen2参考设计中。美光最新LPDDR5X专为高端和旗舰智能手机打造,峰值速度8.533Gbps,比上一代LPDDR5提高33%。美光LPDDR5X已开始量产,并在全球范围内出货。

芯城品牌采购网

12609

贴片电阻的标识和规格型号介绍-芯城品牌采购网

贴片电阻是金属玻璃釉电阻器中的一种。是将金属粉和玻璃釉粉混合,采用丝网印刷法印在基板上制成的电阻器。薄薄的一个小方片,体积小、耐潮湿、耐高温、温度系数小,非常适合现在自动化装配的时代。小编之前就有见识过自动贴片机,刷刷两下,十秒左右的功夫,一块线路板上已经布满大大小小的各种元器件,又快又省事。普通电阻是靠色环来辨识阻值,贴片电阻靠什么来辨识阻值呢?国内贴片电阻的命名方法有两个:5%精度的命名法(例

芯城品牌采购网

10445

低TCR大功率贴片电阻器参数介绍-芯城品牌采购网

一,贴片电阻特点①采用长边电极结构和独家材料实现了大功率,低TCR(±100×10-6/K),②适用于小型大功率的电流检测用途(低TCR使高精度的电流检测成为可能),③采用长边电极结构具备牢固的焊锡粘结强度,④采用长边电极结构实现了高散热性,⑤符合AEC-Q200,⑥已应对RoHS指令。二,低TCR高功率贴片电阻用途①用于ECU,ABS等的电装件②用于直流ー直流转换器等的电流检测电路三,低TCR

芯城品牌采购网

9841

集成电路是支撑经济社会发展的战略性、基础性和先导性产业,是引领新一轮科技革命和产业变革的关键力量。当前,百年变局和世纪疫情交织,全球集成电路产业进入重大调整变革期,维护好、保障好产业链供应链安全稳定,已成为共同挑战和重大课题。为此,2022世界集成电路大会提出以下五点倡议。一、坚持创新发展,共迎风险挑战。集成电路产业正步入“后摩尔时代”,我们要致力于增强全产业链自主创新能力,加强原创性引领性科技攻

芯城品牌采购网

11662

贴片电阻的正负极和焊接你们知道多少呢-芯城品牌采购网

当我们得到分解后的电路板时,我们会发现电路板上几乎一半的电子元件是电阻器。我们看到的大多数电阻器可以分为两种形状,一种是用彩色环表示的轴向电阻,另一种是用数字方法表示的贴片电阻。对于上述两种形状的电阻器,没有极性,也就是说,没有极性,它们在安装和焊接过程中只有工艺要求。今天,我们来谈谈电阻识别和焊接的一些问题。抗性鉴定1.色环电阻的识别为了识别对电流的电阻,我们将在轴向电阻的外观上涂上不同颜色的环

芯城品牌采购网

10269

厚膜晶片电阻和薄膜晶片电阻的区别-芯城品牌采购网

在客户咨询的时候,很多时候都会问到,什么是厚膜晶片电阻薄膜晶片电阻,它们有什么区别,用在哪些行业?晶片电阻又称厚膜晶片电阻或金属膜电阻和片式电阻,不管哪个各种名称都是根据它的膜层厚度、形状及膜层材料来区分(如下图):在这里,很多人都会误以为厚膜晶片电阻薄膜晶片电阻的区别在于膜的厚度,实际上厚膜晶片电阻薄膜晶片电阻分别由它们代表的不同工艺特征来区分,比如说厚膜晶片电阻利用丝网印刷将道题浆料和电

芯城品牌采购网

8621

当地时间11月10日,美光宣布推出适用于数据中心的DDR5存储器,该存储器已针对新的AMDEPYC™9004系列处理器进行了验证。随着现代服务器将更多处理内核装入CPU,每个CPU内核的存储器带宽一直在下降。与前几代相比,美光DDR5提供了更高的带宽,从而缓解了这一瓶颈,提高了可靠性和可扩展性。据介绍,美光将配备其DDR5的单个第4代AMDEPYC处理器系统的STREAM基准性能与3200MT/秒

芯城品牌采购网

12726

据南京广播电视台11月8日报道,南京华天存储及射频类集成电路封测产业化项目已经部分竣工。浦口经济开发区重点项目推进办公室工作人员吴磊透露称,这个项目整体竣工之后,预计将形成14亿的产值。报道显示,南京华天存储及射频类集成电路封测产业化项目总投资15亿元,涉及购置设备约1780台/套,新建1条存储及射频类集成电路封测生产线,计划2024年完工。随着它的落户,有望带动当地快速集聚280多家上下游产业,

芯城品牌采购网

11999

据北京日报11月8日报道,日前,位于中关村顺义园的第三代半导体产业园正式投入运行。该产业园占地7.4万平方米,将以新能源汽车、5G通讯、能源互联网等重大应用需求为牵引,积极突破核心技术,实现第三代半导体技术与产业自主可控,形成第三代半导体产业集聚区。该园区运营负责人朱毅峰表示,1、2、3号楼主要定位芯片设计、工艺设计、孵化服务等办公型企业以及食堂、会议展览等园区配套服务;4、5、6号楼主要定位工艺

芯城品牌采购网

10860

全志A64和RK3288有哪些不同-芯城品牌采购网

全志A64是一款64位的四核处理器,主要针对平板电脑/盒子/笔记本等产品,这款64位开发板拥有2GB内存,16GB存储,支持HDMI1.4,USB2.0,2.4GHz/5GHzWiFi,支持AndroidL系统。瑞芯微RK3288这款芯片也是一个四核ARMCortex-A17内核芯片、支持最新超强Mali-T76x系列GPU的芯片以及4Kx2K硬解H.265的芯片,RK3288主要应用于移动互联网

芯城品牌采购网

10163

据日经中文网报道,日本东京工业大学及AOIElectronics等研究团队开发出了连接功能不同的多个半导体芯片、使其像一个芯片一样工作的关键技术。该技术可以提高芯片的集成密度和电气特性,改善成品率。报道指出,过去,芯粒之间的连接大多使用被称为“中介层(Interposer)”的中间基板。中介层的主流是硅基板,但这种基板在电气特性、定位精度、成本等方面存在问题。而此次的技术优势在于能以最小限度的元素

芯城品牌采购网

12115

据成都高新区消息,11月6日,时值第五届中国国际进口博览会举办期间,成都高新区在上海举办“共话芯路新芯向蓉“成都集成电路产业挑战与机遇专家恳谈会,邀请在沪知名集成电路企业代表商议集成电路产业未来发展趋势。近年来,成都围绕集成电路、新型显示等14个先进制造业实施产业“建圈强链”行动,电子信息产业率先突破万亿。2021年10月,中共中央、国务院印发《成渝地区双城经济圈建设规划纲要》。同时,又有一带一路

芯城品牌采购网

11850

全志A33的用途_全志A33性能参数介绍-芯城品牌采购网

全志A33是一款处理器,采用四核CortexTM-A7架构,搭载Mali400MP2图形处理单元,支持1080P高清视频处理及播放,最大支持1280×800屏幕,支持500万像素摄像头,支持USB3.0接口。  全志A33基本参数  全志A33四核是目前最具性价比的超低功耗四核平板处理器,基于ARMCortex-A7四核CPU架构以及Mali400MP2GPU架构,完美支持多格式1080P@60f

芯城品牌采购网

10087

MOS管的三个级究竟怎么判定?-芯城品牌采购网

相信很多工程师在使用电子测量仪器的时候大家都了解MOS管,下面一起看看MOS管究竟是什么。1.MOS的三个极怎么判定?MOS管符号上的三个脚,辨认要抓住关键地方:G极,不用说比较好认。S极,不论是P沟道还是N沟道,两根线相交的就是。D极,不论是P沟道还是N沟道,是单独引线的那边。2.是N沟道还是P沟道?三个脚的极性判断完后,接下就该判断是P沟道还是N沟道了:当然也可以先判断沟道类型,再判断三个脚极

芯城品牌采购网

12468

运放芯片该如何选择电阻和电阻对放大电路的影响-芯城品牌采购网

如下图:如果我们把运放芯片当作理想的,那么放大电路的增益就是两个电阻的比值,如果要让增益等于2,那么R1和R2分别是2K,1K能达到目的,20K,10K也能达到目的,200K,100K也能达到目的,2Ω,1Ω看着也能达到目的,那么这些阻值都是可以的吗?电阻大小影响什么?这个问题以前也没有深究过,虽然大抵知道一些影响因素,估计也是一些片面的因素,正好借这个机会专门查一查下面就是查到的一些内容。电阻的

芯城品牌采购网

12559

紧俏的血氧仪内部芯片和原理方案-芯城品牌采购网

目前血氧仪暴涨的需求,主要是政策调整后,人群感冒发烧增多,确诊增多,有基础疾病的老年人等群体暴露其中更加危险,官方鼓励血氧仪作为监控预防重症的设备。加上血氧知识的普及,媒体的宣传,如多位专家建议家庭、个人准备指夹式血氧仪等设备,及时掌握自己和家人的身体情况。因此对于有家有老人、小孩,或者本身抵抗力差的人群,作为日常监测还是比较实用,一旦出现低血氧可以及时就医。而对于没有严重基础疾病的普通人群来说,

芯城品牌采购网

10929

让仪器成为设计时的得力助手-芯城品牌采购网

工程师通过仪器能够查看和了解不同电子、机械部分或整个系统内的情况。这些设备通过获取、分析和显示数据,让工程师可以监视和控制机械并进行所有必要的更正。在测试或原型制作过程中,仪器可帮助改进电路,让设计更新颖、更出色。由于需要具有丰富功能和高可用性的高性能仪器来满足各种应用面临的设计挑战,我们将会介绍这些仪器为满足客户需求而需要具备的特性,然后研究仪表放大器这个关键设计组件的重要属性。仪器不同,要求不

芯城品牌采购网

9303

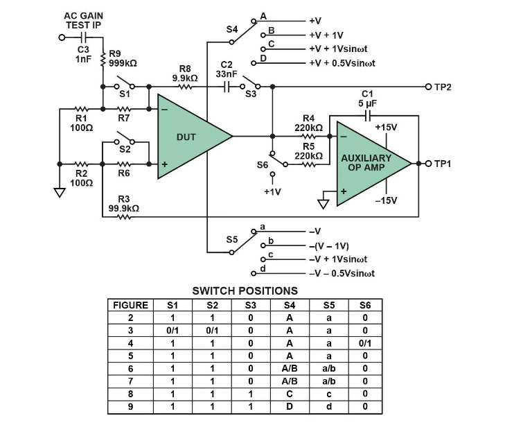
OPAMP运算放大器芯片参数的简易测量-芯城品牌采购网

OPAMP运算放大器芯片是具备差分输入和单端输入的极低增益放大器。常用作低精度的模拟电路之中,因此必须对其性能展开精确测量。但在开环测定之中,开环电压可低达107或更低,并且拾音器、杂散电流或Seebeck(热电偶)效应会在放大器输入端造成非常大的电压,因此误差是难以避免的。测量过程可大大简化,通过采用一个伺服回路,被迫放大器的输入为零,容许被测放大器测定自己的误差。图1表明了一个多功能的电路,透

芯城品牌采购网

13401

开关电源中的局部放电-芯城品牌采购网

一、局部放电现象局部放电(partialdischarge,简称PD)现象,通常主要指的是高压电气设备绝缘层在足够强的电场作用下局部范围内发生的放电,某个区域的电场强度一旦达到其介质击穿场强时,该区域就会出现放电现象。这种放电以仅造成导体间的绝缘局部短(路桥)接而不形成导电通道为限。每一次局部放电对绝缘介质都会有一些影响,轻微的局部放电对电力设备绝缘的影响较小,绝缘强度的下降较慢;而强烈的局部放电

芯城品牌采购网

10234

仿真看世界之650V混合SiC单管的开关特性-芯城品牌采购网

IGBT混搭SiCSBD续流二极管,在硬换流的场合,至少有两个主要优势:●没有Si二极管的反向恢复损耗Erec●降低30%以上IGBT的开通损耗Eon因此,在中小功率光伏与UPS等领域,IGBT混搭SiCSBD续流二极管具有较高性价比。此次,我们将利用英飞凌强大且丰富的器件SPICE模型,同样在Simetirx的仿真环境里,测试不同类型的续流二极管,对IGBT开通特性及Eon的影响。特别提醒仿真无

芯城品牌采购网

11544